
在做电路设计的时候,最怕的一件事就是:环境变化,导致输出也跟着变化了。比如设计了一个放大器,按要求是放大10倍,如果天气温度是20度,它是放大10倍,明天气温变成了40度,它变成了放大12倍,等天气变成0度,它又变成了放大8倍,那这个放大器根本无法使用。所以需要一个类似于一把尺子的东西,不管温度如何变化,他的刻度永远不变,用来当作这个尺子的稳定电压,就叫做基准电压。
电子世界的物理特性往往充满了矛盾,对于晶体管而言,基极-发射极电压VBE与绝对温度是负相关,它的特点是温度越高,电压越低。像是热胀冷缩反过来,它是热缩冷胀,大约温度每升高1度,就会掉2mV电压。直接利用这个作为基准电压的话,那么在发热或者温度变化的环境中,输出电压就会产生波动,系统精度就不对了。
为了解决这个问题,需要引入一种与温度成正比的电压来消除这个负温度系数。有物理学家发现,两个工作在不同电流密度下的双极型晶体管,它们的电压差ΔVBE与温度成正比,它的特点是温度越高,电压越高,而且他的特性稳定,温度每升高1度,电压的变化也就一点点。这个电压被称之为PTAT电压。
既然一个往下跌,一个往上涨,那我们可以想办法给他们加在一起。就好像坐跷跷板,一边是胖子,一边是瘦子,可以让胖子坐的近一点,瘦子坐的远一点来达到跷跷板的平衡。带隙基准的核心思想,就是利用数学上的加减法:将一个具有负温度系数的电压,与一个具有正温度系数的电压按特定比例相加。
为什么叫带隙,物理意义是来源于硅材料的带隙能量,科学家发现按照特定的比例调好电压之后,抵消了温度的影响之后,最终算出来的电压刚好是1.25V左右,收敛于硅的带隙电压附近,通常在1.25V左右,这正是带隙基准名称的由来。
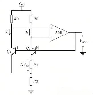
比如经典的Brokaw带隙基准电路示意图,主要有4各部分组成,电源与偏置电阻RO,不对称三极管Q1、Q2,运放AMP,PTAT电流支路R1、R2。
1、电源与偏置电阻RO:VCC是电源,两个RO是偏置电阻,用来给三极管和运放提供初始工作电流(I1、I₂是偏置支路的电流)。
2、不对称三极管Q1:单管;Q2:n个三极管并联。
3、运放AMP:运放的同相端(+)接Q1的集电极,反相端(-)接Q2的集电极,运放的核心作用是虚短:强制两个输入端电压相等,也就是让Q1、Q2的集电极电压一致。
4、PTAT电流支路:R1串联在 Q1、Q2的发射极之间,用来产生与温度成正比(PTAT)的电流;R2是输出支路的电阻,用来调整输出电压的温度系数。

Q1、Q2面积不对称,VBE(Q1) ≠ VBE(Q2),两个三极管的集电极电压天生不相等。运放通过负反馈,强制Q1、Q2的集电极电压一致。为了拉平电压,电路必须让ΔVBE落在R1上,产生电流I = ΔVBE / R1。PTAT 电流的作用是ΔVBE随温度升高而增大,电流I也随温度升高而增大。输出VREF= VBE(Q1)+ I×R2,两者的温度变化相互抵消,最终VREF是稳定的基准电压(典型值约等于1.25V)。
最终的信号流向是:VCC→偏置电阻RO→Q1/Q的集电极→运放输入端→运放输出VREF;同时,Q1/Q的发射极电流→流过R1产生ΔVBE→形成PTAT电流→流过R2参与VREF的合成。

“芯想事珹”,先进制程IC设计与SoC定制技术交流分享平台。